 |
杭州赫萨流体技术有限公司
VQ系列泵芯组件
型号说明:
| (F3-) |
PC- |
25VQ |
-5 |
-R |
| 前注 |
泵芯标记 |
系列号 |
几何排量 |
转向 |
F3-使用氟胶密封件
省略-不需要使用 |
PC-单泵泵芯、
或双联泵轴端泵芯
PCT-双联泵盖端泵芯 |
20VQ |
2、3、4、5、6、7、8、9、10、11、12、14 |
从泵的轴端看
R-顺时针旋转
L-逆时针旋转 |
| 25VQ |
10、12、14、17、19、21 |
| 35VQ |
21、25、30、35、38 |
| 45VQ |
42、45、50、57、60、66、75 |
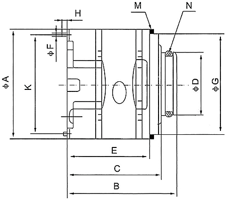
外形尺寸:
| 系列号 |
фA |
B |
C |
фD |
E |
фF |
фG |
H |
K |
M-挡圈 |
N-O型圈 |
| 20VQ |
82.5 |
81.5 |
70.1 |
47 |
61.5 |
4.8 |
76.2 |
7 |
73.6 |
82.76×76.26×3.5 |
40×3.5 |
| 25VQ |
96.8 |
98.8 |
87 |
52.2 |
71.2 |
4.8 |
90.5 |
7 |
88.19 |
97×91×3.5 |
44×3.53 |
| 35VQ |
114.3 |
117.7 |
105 |
72.2 |
90.3 |
6.4 |
108 |
7 |
103.94 |
114.5×108.5×3.5 |
63.09×3.53 |
| 45VQ |
133.35 |
141.1 |
129.6 |
80.2 |
105.5 |
6.4 |
127 |
5 |
123.8 |
133.6×127.6×3.5 |
71×3.55 |
| 系列号 |
转子内花键齿廓参数 |
| 模数 |
齿数 |
压力角 |
大径 |
小径 |
| 20VQ |
48/96 |
30 |
45° |
16.67 |
15.56 |
| 25VQ |
48/96 |
40 |
45° |
21.9 |
20.86 |
| 35VQ |
40/80 |
37 |
45° |
24.38 |
23.1 |
| 45VQ |
12/24 |
14 |
30° |
32.59 |
27.6 |
|
 |