 |
杭州赫萨流体技术有限公司
产品说明:
V 系列子母叶片泵为工业应用而设计,可广泛用于注塑机械、橡胶机械、压铸机械、机床及各类液压系统等领域。
产品特点为:
1、高性能:在210bar(3000psi)的工作压力下提供90%以上的容积效率。
2、低噪声:12 叶片设计,使流量脉动振幅小,噪音更低。
3、长寿命:子母叶片结构设计,减少了叶片对定子的冲击,使泵的寿命更长,性能更稳定。
4、易维护:泵芯与驱动轴分离,通过更换泵芯进行现场维修,提高效率,节省费用。
单泵型号说明:
| (F3-) |
**V |
* |
A |
(F) |
-* |
* |
22 |
* |
| 前注 |
系列号 |
排量代号 |
油口连接 |
安装方式 |
轴伸形式 |
出油口位置 |
设计号 |
旋转方向 |
无标记:
石油系油乳化液
水-乙二醇
F3:磷酸酯液 |
20V |
2,3,4,5,6,7,8
9,10,11,12,14 |
A-SAE
4-螺栓连接 |
无标记:
法兰安装
F-脚座安装 |
1- 带键直轴
151-花键轴
86-重型带键直轴
11-花键轴 |
(从泵的盖端看)
A-在进油口对侧
B-从进油口逆时针 90°
C-在进油口同侧
D-从进油口顺时针 90° |
22 |
(从泵的轴端看)
L-逆时针旋转
R-顺时针旋转 |
| 25V |
10,12,14,17
19,21 |
| 35V |
21,25,30,32
35,38,45 |
| 45V |
42,45,50,57
60,66,75 |
在 1200r/min 和 0.69MPa(100psi)下的额定排量 Usgpm
技术参数:
| 系列号 |
排量代号 |
几何排量(ml/r) |
最高转速(r/min) |
最高压力(Mpa) |
重量(Kg) |
| 20V |
2 |
7 |
1800 |
14 |
12 |
| 3 |
10 |
21 |
| 4 |
13 |
| 5 |
18 |
| 6 |
19 |
| 7 |
23 |
| 8 |
27 |
| 9 |
30 |
| 10 |
33 |
| 11 |
36 |
| 12 |
40 |
16 |
| 14 |
45 |
14 |
| 25V |
10 |
33 |
1800 |
21 |
14.8 |
| 12 |
40 |
| 14 |
45 |
| 17 |
55 |
| 19 |
60 |
| 21 |
67 |
| 35V |
21 |
67 |
1800 |
21 |
22.7 |
| 25 |
81 |
| 30 |
97 |
| 35 |
112 |
| 38 |
121 |
| 45V |
42 |
138 |
1800 |
21 |
34 |
| 45 |
147 |
| 50 |
162 |
| 57 |
180 |
| 60 |
193 |
| 66 |
212 |
| 75 |
237 |
14 |
双泵型号说明:
| (F3-) |
****V |
** |
A |
** |
(F) |
-* |
* |
22 |
* |
| 前注 |
系列号 |
轴端排量代号 |
油口连接 |
盖端排量代号 |
安装方式 |
轴伸形式 |
出油口位置 |
设计号 |
旋转方向 |
无标记:
石油系油乳化液
水-乙二醇
F3:磷酸酯液 |
2520V |
10,12,14,17
19,21 |
A-SAE
4-螺栓连接 |
2,3,4,5,6,7,8
9,10,11,12,14 |
无标记:
法兰安装
F-脚座安装 |
1- 带键直轴
151-花键轴
86-重型带键直轴
11-花键轴 |
(从泵的盖端看)
见下图 |
22 |
(从泵的轴端看)
L-逆时针旋转
R-顺时针旋转 |
| 3520V |
21,25,30,32
35,38,45 |
2,3,4,5,6,7,8
9,10,11,12,14 |
| 3525V |
21,25,30,32
35,38,45 |
10,12,14,17
19,21 |
| 4520V |
42,45,50,57
60,66,75 |
2,3,4,5,6,7,8
9,10,11,12,14 |
| 4525V |
42,45,50,57
60,66,75 |
10,12,14,17
19,21 |
| 4535V |
42,45,50,57
60,66,75 |
21,25,30,32
35,38,45 |
在 1200r/min 和 0.69MPa(100psi)下的额定排量 Usgpm

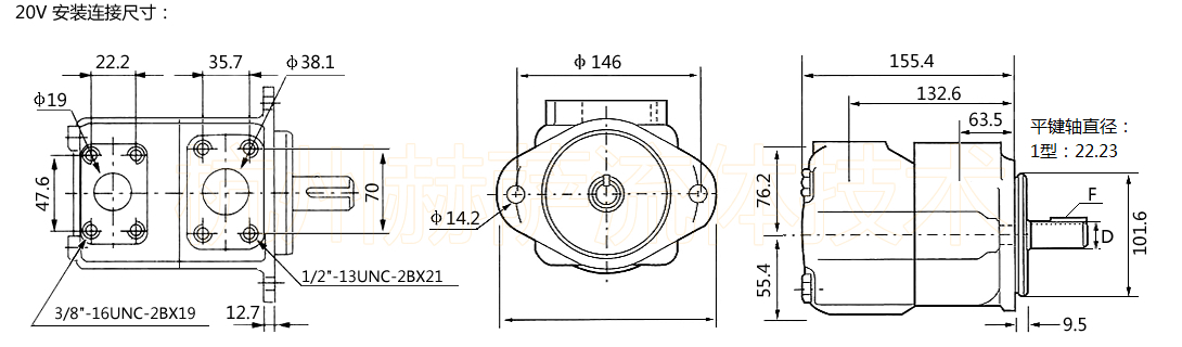
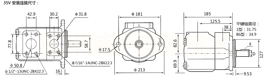
单泵安装连接尺寸:




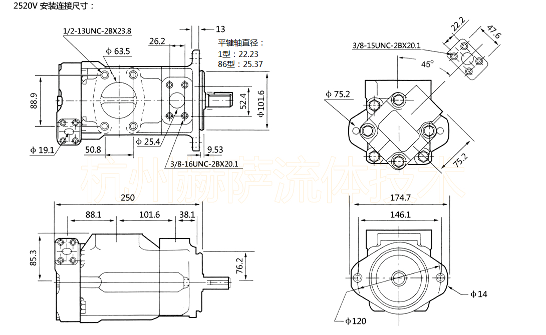
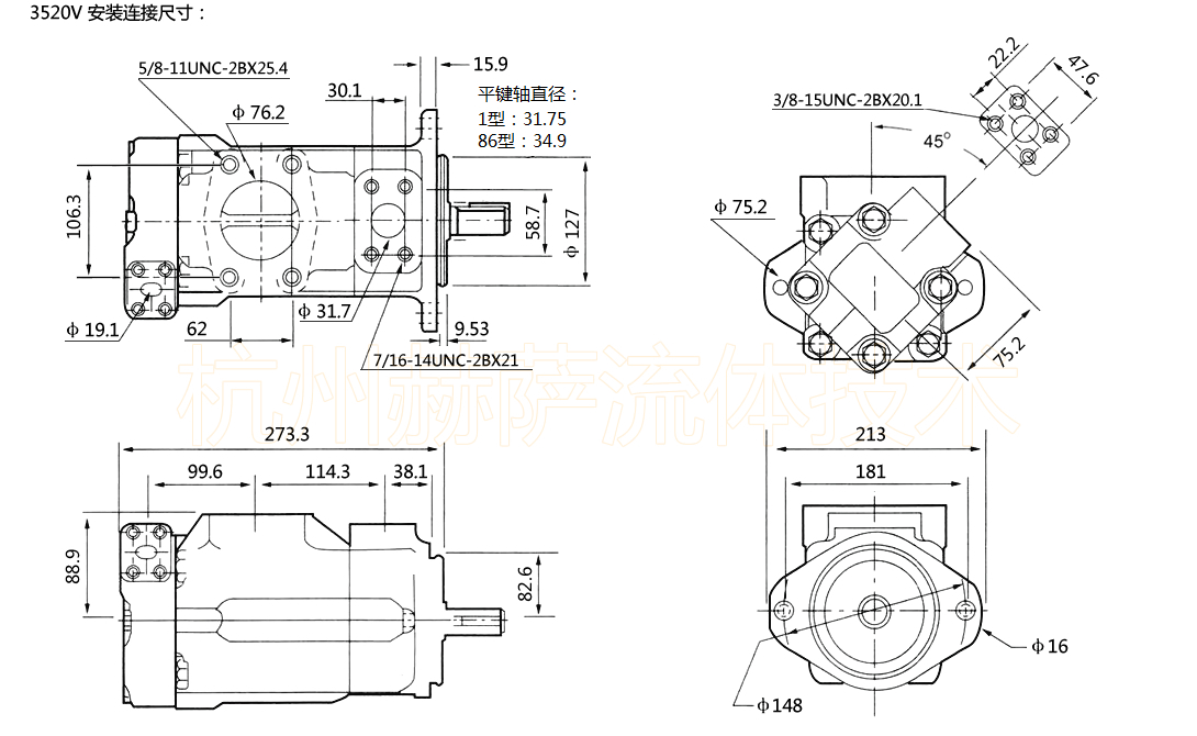
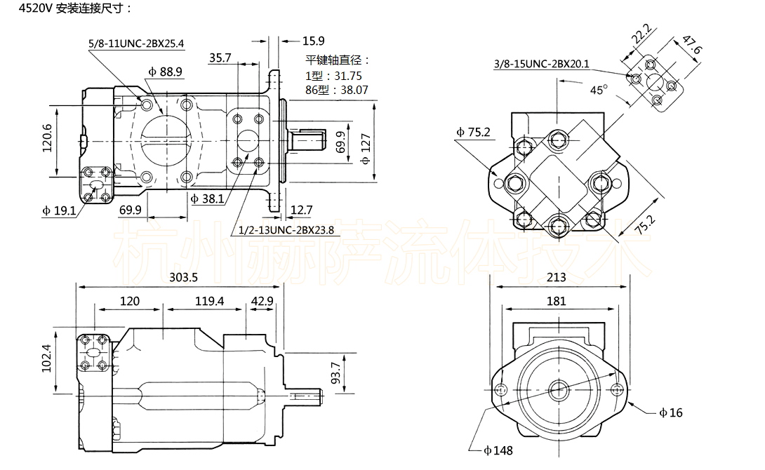
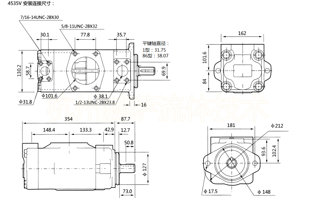
双泵安装连接尺寸:






|
 |