 |
杭州赫萨流体技术有限公司
T6系列泵芯组件
型号说明:
| (F3-) |
PC- |
T6C |
-005 |
-R |
| 前注 |
泵芯标记 |
系列号 |
排量代号 |
旋转方向 |
F3-使用氟橡胶密封
省略-不需要 |
PC-单泵泵芯或
双泵轴端泵芯
PCT-双泵盖端泵芯 |
T6C |
003,005,006,008,010,012,014,017,020,022,025,028,031 |
从泵的轴端看
L-逆时针旋转
R-顺时针旋转 |
| T6D |
014,017,020,024,028,031,035,038,042,045,050 |
| T6E |
042,045,050,052,057,062,066,072,085 |
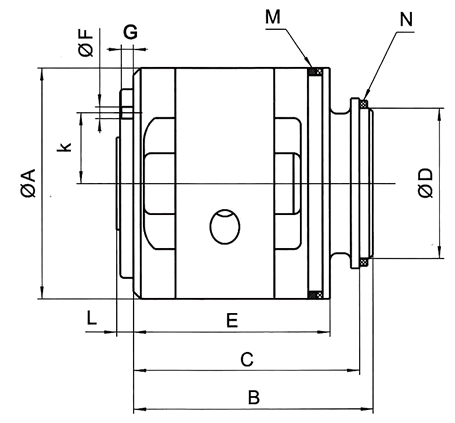
外形尺寸:
| 系列号 |
ФA |
B |
C |
ФD |
E |
ФF |
G |
K |
M 挡圈 |
N-O型圈 |
L |
| T6C |
95.22 |
99.4 |
93.8 |
61.9 |
81.1 |
4.8 |
5 |
43.66 |
94.5×87.5×3.5 |
68×61×3.3 |
7 |
| T6D |
123 |
132 |
125.8 |
72 |
110.3 |
6.4 |
6.4 |
41.2 |
113.1×106.5×3.5 |
79×71×3.3 |
N/A |
| T6E |
143.08 |
150.3 |
142.5 |
88 |
122.8 |
8 |
8 |
49.23 |
142.8×136×3.5 |
94×87×3.3 |
N/A |
| 系列号 |
转子内花键齿廓参数 |
| 模数 |
齿数 |
压力角 |
大径 |
小径 |
| T6C |
40/80 |
28 |
45° |
18.87 |
17.4 |
| T6D |
24/48 |
25 |
45° |
28.2 |
25.9 |
| T6E |
24/48 |
34 |
45° |
37.72 |
35.42 |
|
 |