 |
杭州赫萨流体技术有限公司
产品说明:
T6 系列柱销式叶片泵采用双唇叶片设计,两唇交替与定子接触,叶片寿命是普通叶片的两倍以上,叶片底部通过柱销推动,
从而减少了叶片和定子曲线的磨损。本产品具有体积小、压力高、噪音低、寿命长、运转平稳等特点,广泛应用于切削机械、
塑料机械、工程机械、冶金机械、船舶机械等领域。
单泵型号说明:
| T6C |
-020 |
-1 |
R |
00 |
-C |
1 |
| 系列号 |
排量代号 |
轴伸形式 |
旋转方向 |
出油口位置 |
设计号 |
密封材料 |
| T6C |
003,005, 006, 008, 010,012, 014
017, 020,022, 025,028,031 |
|
(从泵的轴端看)
L-逆时针旋转
R-顺时针旋转 |
(从泵的轴端看)
00: 出油口在进油口的对侧
01: 出油口和进油口在同侧
02: 出油口在进油口的左侧
03: 出油口在进油口的右侧
|
C |
1: 丁腈橡胶
5: 氟橡胶
|
| T6D |
014,017,020,024,028,031
035,038,042,045,050 |
| T6E |
042,045,050,052,057,062,066
072,085 |
技术参数:
| 系列号 |
规格 |
排量(mL/r) |
转速(rmp) |
最高压力(Mpa) |
| 最低 |
最高 |
间歇 |
连续 |
| T6C |
003 |
10.8 |
600 |
2800 |
280 |
240 |
| 005 |
17.2 |
| 006 |
21.3 |
| 008 |
26.4 |
| 010 |
34.1 |
| 012 |
37.1 |
| 014 |
46.0 |
| 017 |
58.3 |
| 020 |
63.8 |
| 022 |
70.3 |
| 025 |
79.3 |
2500 |
| 028 |
88.8 |
210 |
160 |
| 031 |
100.0 |
| T6D |
014 |
47.6 |
600 |
2500 |
240 |
210 |
| 017 |
58.2 |
| 020 |
66.0 |
| 024 |
79.5 |
| 028 |
89.7 |
| 031 |
98.3 |
| 035 |
111.0 |
| 038 |
120.3 |
| 042 |
136.0 |
2200 |
| 045 |
145.7 |
| 050 |
158.0 |
210 |
160 |
| T6E |
042 |
132.3 |
600 |
2200 |
240 |
210 |
| 045 |
142.4 |
| 050 |
158.5 |
| 052 |
164.8 |
| 057 |
179.8 |
| 062 |
196.7 |
| 066 |
213.3 |
| 072 |
227.1 |
| 085 |
269.0 |
1800 |
120 |
80 |
双泵型号说明:
| T6CC |
-025 |
-020 |
-1 |
R |
00 |
-10 |
1 |
| 系列号 |
排量代号 |
排量代号 |
轴伸形式 |
旋转方向 |
出油口位置 |
设计号 |
密封材料 |
T6CC T6DC T6EC T6ED |
轴端泵排量 |
盖端泵排量 |
|
(从泵的轴端看)
L-逆时针旋转
R-顺时针旋转 |
(从泵的盖端看)
见下图
|
10 |
1:丁腈橡胶
5:氟橡胶
|
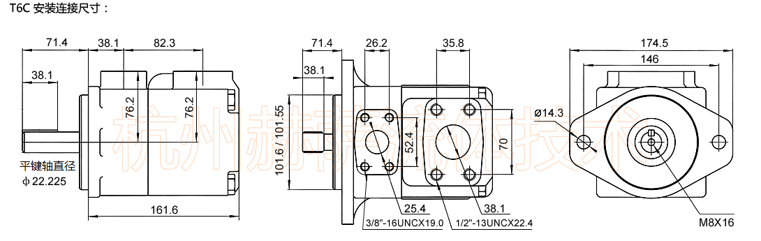
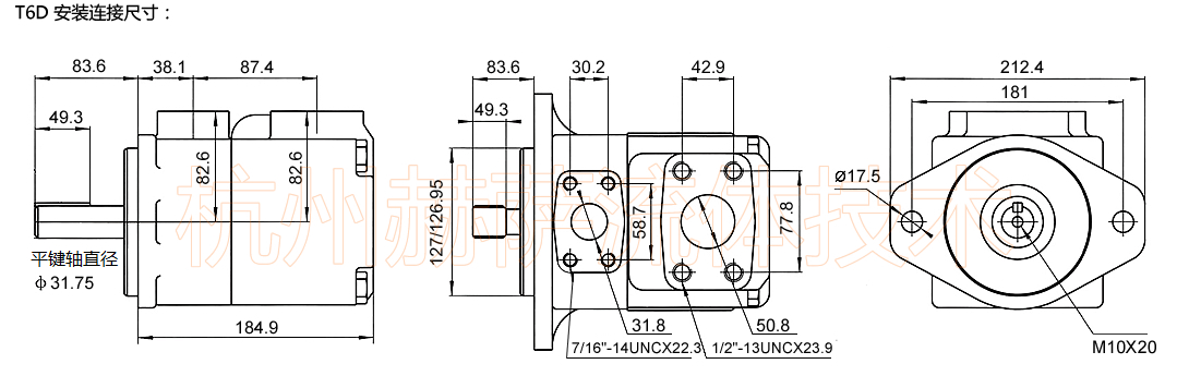
单泵安装连接尺寸:



双泵安装连接尺寸:




|
 |