 |
杭州赫萨流体技术有限公司
产品说明:
PV2R 系列低噪声叶片泵是专为低噪声工况而开发的高压高性能叶片泵,
结构合理、加工精密、噪声低、脉动小、可靠性好,可广泛用于机床、塑机、压铸机、冶金、工程机械等领域。
单泵型号说明:
| PV2R* |
* |
(F) |
-* |
* |
* |
22 |
| 系列号 |
排量代号 |
安装方式 |
轴伸形式 |
旋转方向 |
出油口位置 |
设计号 |
| PV2R1 |
6,8,10,12,14,17,19,23,25,28,31,36 |
F:法兰安装
L:脚座安装 |
1-标准轴
2-圆柱形轴 |
(从泵的轴端看)
L-逆时针旋转
R-顺时针旋转 |
(从泵的轴端看)
A-上方
B-下方
L-左方
R-右方 |
10 |
| PV2R2 |
26,33,41,47,53,59,65,75 |
| PV2R3 |
52,60,66,76,85,94,116,125,136,153 |
技术参数:
| 型号 |
理论排量
(mL/r) |
最高压力(MPa) |
驱动功率 |
转速(r/min) |
重量(Kg) |
| 高压专用油 |
抗磨液压油 |
普通液压油 |
最低 |
最高 |
| PV2R1-6 |
6.0 |
21 |
17.5 |
16 |
3.4 |
750 |
1800 |
9.0 |
| -8 |
8.2 |
4.4 |
| -10 |
9.7 |
4.9 |
| -12 |
12.6 |
6.0 |
| -14 |
14.0 |
6.5 |
| -17 |
17.1 |
7.8 |
| -19 |
19.1 |
8.7 |
| -23 |
23.0 |
10.4 |
| -25 |
25.3 |
11.5 |
| -28 |
28.1 |
12.6 |
| -31 |
31.0 |
14.5 |
| -36 |
36.0 |
16.8 |
| PV2R2-26 |
26.6 |
21 |
17.5 |
14 |
12.7 |
600 |
1800 |
19.0 |
| -33 |
33.3 |
15.5 |
| -41 |
41.3 |
18.6 |
| -47 |
47.2 |
20.7 |
| -53 |
52.5 |
23.8 |
| -59 |
58.2 |
26.5 |
| -65 |
64.7 |
29.3 |
| -75 |
74.5 |
33.8 |
| PV2R3-52 |
52.2 |
21 |
17.5 |
14 |
23.4 |
600 |
1800 |
36.7 |
| -60 |
59.6 |
26.6 |
| -66 |
66.3 |
29.4 |
| -76 |
76.4 |
33.1 |
| -85 |
84.9 |
36.5 |
| -94 |
93.6 |
40.1 |
| -116 |
115.6 |
16 |
16 |
48.9 |
| -125 |
125.0 |
36.3 |
1200 |
| -136 |
135.2 |
39.5 |
| -153 |
153.0 |
44.5 |
| PV2R4-125 |
125.0 |
17.5 |
17.5 |
14 |
54.3 |
600 |
1800 |
60.2 |
| -136 |
136.0 |
60.8 |
| -153 |
153.8 |
66.5 |
| -184 |
184.0 |
81.4 |
| -200 |
200.0 |
88.0 |
| -237 |
237.0 |
102.0 |
双泵型号说明:
| PV2R** |
-* |
-* |
(F) |
-* |
* |
* |
22 |
| 系列号 |
盖端排量代号 |
轴端排量代号 |
安装方式 |
轴伸形式 |
旋转方向 |
出油口位置 |
设计号 |
| PV2R12 |
6,8,10,12,14,17,19,23,25,28,31,36 |
26,33,41,47,53,59,65,75 |
F:法兰安装
L:脚座安装 |
1-标准轴
2-圆柱形轴 |
(从泵的轴端看)
L-逆时针旋转
R-顺时针旋转 |
(从泵的轴端看)
见下图 |
10 |
| PV2R13 |
6,8,10,12,14,17,19,23,25,28,31,36 |
52,60,66,76,85,94,116,125,136,153 |
| PV2R23 |
26,33,41,47,53,59,65,75 |
52,60,66,76,85,94,116,125,136,153 |

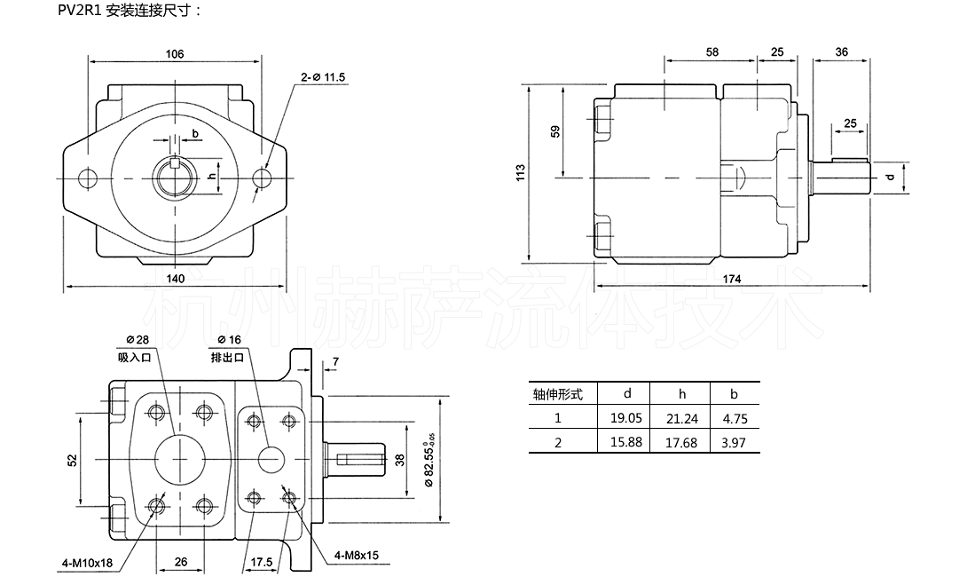
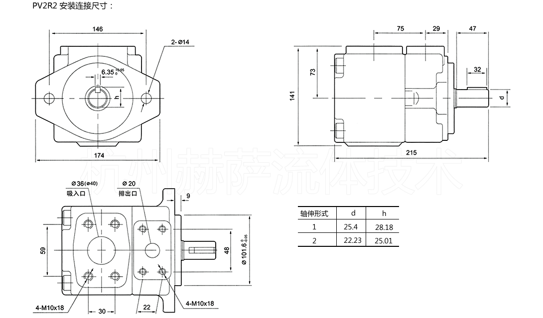
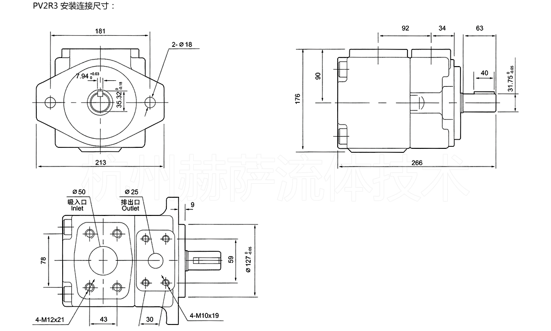
单泵连接尺寸:



双泵连接尺寸:



|
 |